首 页 | 企业概况 | 产品展示 | 质量保证 | 客户服务 | 销售渠道 | 新闻中心 | 联系我们  人力资源 
欢迎光临!

17系列板对板连接器


基本规格 基板孔 Φ0.9mm
额定电流 1A AC、DC 绝缘电阻 1,000MΩMIN
额定电压 50V 接触电阻 30mΩMAX
耐压 1KV 1min 适用温度范围 -25℃~+85℃


  组成:

1、PS模块2、R模块
1710系列连接器PS模块 1710系列连接器R模块


  1、17XA系列

PS模块
R模块
模块 订货号 针数 尺寸Amm 尺寸Bmm 尺寸Cmm 尺寸Dmm 尺寸Emm 材料配合
PS 171A-4006 6 17.5 12.5 15.0 22.0 25.9 PA666 UL94V-0
自然色

磷青铜
174AB-4006
171A-4007 7 20.0 15.0 15.0 22.0 25.9 174AB-4007
171A-4008 8 22.5 17.5 15.0 22.0 25.9 174AB-4008
173A-4006 6 17.5 12.5 20.0 27.0 30.9 174AB-4006
173A-4007 7 20.0 15.0 20.0 27.0 30.9 174AB-4007
173A-4008 8 22.5 17.5 20.0 27.0 30.9 174AB-4008
R 174A-4006 6 15.9 12.5       171AB-4006 173A-4006
174A-4007 7 18.4 15.0       171AB-4007 173A-4007
174A-4008 8 20.9 17.5       171AB-4008 173A-4008


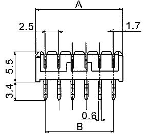
  2、17XB系列

PS模块
R模块
模块 订货号 针数 尺寸Amm 尺寸Bmm 材料配合
PS 171B-4006 6 17.5 12.5 PA666 UL94V-0
自然色

磷青铜
174AB-4006
171B-4007 7 20.0 15.0 174AB-4007
171B-4008 8 22.5 17.5 174AB-4008
R 174B-4006 6 15.9 12.5 171AB-4006 173A-4006
174B-4007 7 18.4 15.0 171AB-4007 173A-4007
174B-4008 8 20.9 17.5 171AB-4008 173A-4008
京ICP备 05054605
北京日端电子有限公司 电话:010-64359291 传真:010-64384277
地址:北京市朝阳区酒仙桥路10号 100016(电子城科技园区)